欢迎进入mobile.allsport365门户网站~

站内搜索:

通知公告

当前位置: 首页>>政务公开>>通知公告>>正文

乌兰县环境保护和林业局关于公开乌兰县2017年重点污染源监测信息的报告

发布日期:2017年12月20日 17:00  点击:[ ]

乌政环林〔2017361                签发人:唐生林

乌兰县环境保护和林业局

关于公开乌兰县2017年重点污染源监测

信息的报告

mobile.allsport365:

根据《中华人民共和国环境保护法》第五十四条第二款规定“县级以上人民政府环境保护主管部门和其他负有环境保护监督管理职责的部门,应当依法公开环境质量、环境监测、突发环境事件以及环境行政许可、行政处罚、排污费的征收和使用情况等信息”的要求,需将我县2017年重点污染源监测信息依法进行公开。由于我局目前尚未建立环境保护门户网站,因此需将该信息在mobile.allsport365网站进行公开,特此上报。

妥否,请批示。

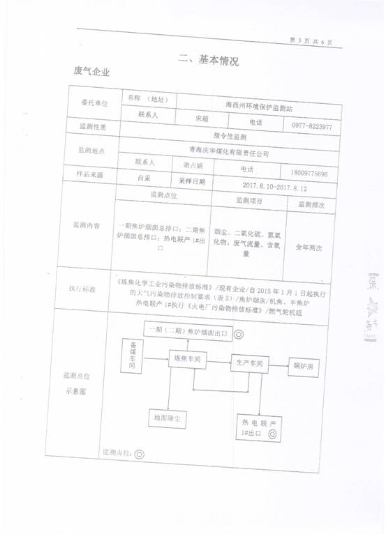
附:2017年庆华煤化公司监测报告

   

20171214

附件:

                         

上一条:加大投诉处置力度 保障群众饮食安全
下一条:乌兰县环境保护和林业局关于公开乌兰县2017年水质检测信息的报告

关闭